第一部【企業情報】

第1【企業の概況】

1【主要な経営指標等の推移】

(1) 連結経営指標等

回次

第94期

第95期

第96期

第97期

第98期

決算年月

2019年3月

2020年3月

2021年3月

2022年3月

2023年3月

売上高

(百万円)

134,139

135,180

107,750

113,671

123,339

経常利益

(百万円)

7,182

7,248

7,424

7,822

7,927

親会社株主に帰属する当期純利益

(百万円)

4,404

4,585

4,931

5,135

10,032

包括利益

(百万円)

3,581

3,492

7,615

5,690

10,791

純資産額

(百万円)

60,913

63,360

68,785

72,897

81,482

総資産額

(百万円)

108,402

106,113

113,800

119,148

132,874

1株当たり純資産額

(円)

1,592.21

1,658.28

1,819.41

1,926.62

2,173.91

1株当たり当期純利益

(円)

121.28

126.47

137.50

144.13

281.95

潜在株式調整後

1株当たり当期純利益

(円)

自己資本比率

(%)

53.2

56.6

56.9

57.6

57.9

自己資本利益率

(%)

7.8

7.8

7.9

7.7

13.8

株価収益率

(倍)

13.2

11.3

13.1

10.9

6.8

営業活動による

キャッシュ・フロー

(百万円)

5,507

6,285

6,765

6,198

4,606

投資活動による

キャッシュ・フロー

(百万円)

6,571

3,924

2,690

2,674

3,549

財務活動による

キャッシュ・フロー

(百万円)

2,163

1,833

3,032

1,823

2,476

現金及び現金同等物

の期末残高

(百万円)

22,263

22,812

23,721

25,514

31,268

従業員数

(人)

1,313

1,344

1,542

1,529

1,556

〔外、平均臨時雇用者数〕

283

274

317

348

315

(注)1 従業員数欄の〔外書〕は、嘱託・契約社員・パートタイマーの年間平均雇用人員であります。

2 潜在株式調整後1株当たり当期純利益については、潜在株式が存在しないため、記載しておりません。

3 「収益認識に関する会計基準」(企業会計基準第29号 2020年3月31日)等を第97期の期首から適用しており、第96期に係る主要な経営指標等については、当該会計基準等を遡って適用した後の指標となっております。

 

(2) 提出会社の経営指標等

回次

第94期

第95期

第96期

第97期

第98期

決算年月

2019年3月

2020年3月

2021年3月

2022年3月

2023年3月

売上高

(百万円)

91,268

93,539

71,023

75,195

82,025

経常利益

(百万円)

4,486

4,897

4,679

4,926

5,232

当期純利益

(百万円)

3,147

3,560

3,717

3,619

9,035

資本金

(百万円)

4,603

4,603

4,603

4,603

4,603

発行済株式総数

(千株)

40,707

40,707

40,707

40,707

40,707

純資産額

(百万円)

47,547

49,455

51,572

53,459

60,572

総資産額

(百万円)

91,875

91,370

93,398

97,643

109,502

1株当たり純資産額

(円)

1,311.67

1,365.23

1,448.46

1,499.98

1,710.66

1株当たり配当額

(円)

26.00

36.00

40.00

44.00

49.00

(内、1株当たり

中間配当額)

(13.00)

(13.00)

(18.00)

(22.00)

(27.00)

1株当たり当期純利益

(円)

86.65

98.18

103.65

101.58

253.93

潜在株式調整後

1株当たり当期純利益

(円)

自己資本比率

(%)

51.8

54.1

55.2

54.7

55.3

自己資本利益率

(%)

6.7

7.3

7.4

6.9

15.8

株価収益率

(倍)

18.5

14.6

17.3

15.4

7.5

配当性向

(%)

30.0

36.7

38.6

43.3

19.3

従業員数

(人)

748

739

741

745

718

〔外、平均臨時雇用者数〕

93

100

93

92

91

株主総利回り

(%)

97.7

89.6

113.7

102.6

126.5

(比較指標:配当込みTOPIX(東証株価指数))

(%)

(95.0)

(85.9)

(122.1)

(124.6)

(131.8)

最高株価

(円)

1,938

1,805

1,899

1,911

1,995

最低株価

(円)

1,435

1,085

1,262

1,440

1,432

(注)1 従業員数欄の〔外書〕は、嘱託・契約社員・パートタイマーの年間平均雇用人員であります。

2 潜在株式調整後1株当たり当期純利益については、潜在株式が存在しないため、記載しておりません。

3 第95期の1株当たり配当額36円は、期末配当に当社の創業150周年記念配当10円を含んでおります。

4 第98期の1株当たり配当額49円は、中間配当にボンド発売70周年記念配当5円を含んでおります。

5 最高株価および最低株価は、2022年4月4日より東京証券取引所プライム市場におけるものであり、それ以前については東京証券取引所市場第一部におけるものであります。

6 「収益認識に関する会計基準」(企業会計基準第29号 2020年3月31日)等を第97期の期首から適用しており、第96期に係る主要な経営指標等については、当該会計基準等を遡って適用した後の指標となっております。

 

2【沿革】

1925年9月

株式会社小西儀助商店設立(1914年設立合資会社を改組)

1940年12月

東京支店開設(2005年4月東京本社に昇格、2019年9月東京本社を廃止し、関東支社に移転)

1952年2月

東京工場開設・合成接着剤ボンドの生産を開始(1995年4月東京メルト製造部に改称し、浦和工場に統合、2001年3月東京メルト製造部を閉鎖)

1956年2月

東京本所医薬品工場開設(1998年6月閉鎖)・日本薬局方アルコール製造開始(2018年3月製造終了)

1957年1月

名古屋出張所開設(1963年2月名古屋支店に昇格)

1957年9月

大阪工場開設

1960年5月

札幌出張所開設(1985年1月札幌営業所に呼称変更、1990年4月札幌支店に昇格)

1962年4月

福岡連絡所開設(1966年1月福岡出張所、1981年4月福岡支店に昇格)

1964年4月

浦和工場開設(2017年6月閉鎖)

1968年4月

鳥栖工場開設(2002年6月閉鎖)

1973年8月

滋賀工場開設

1973年9月

ミクニペイント株式会社株式を取得(2014年1月株式譲渡により連結対象から除外)

1976年1月

社名を「コニシ株式会社」に改称

1981年4月

大阪工場閉鎖・同所に大阪研究所開設、浦和研究所開設

1986年5月

栃木工場開設

1988年9月

子会社水口化学産業株式会社を設立

1990年7月

ボンドワックス株式会社と合併し、茨城工場(2005年3月茨城ワックス製造所に改組、2007年3月閉鎖)およびワックス研究所(1996年5月閉鎖し、浦和研究所に統合)を承継

1992年10月

滋賀第二工場開設

1994年8月

本社事務所を移転

1994年9月

大阪証券取引所市場第二部に上場

1996年7月

子会社ボンド興産株式会社を設立(2007年5月子会社ボンドケミカル商事株式会社に吸収合併)

1996年10月

小西儀株式会社と合併

1997年5月

品質システム審査登録制度ISO9001を取得(ボンド事業本部・滋賀工場・浦和研究所・大阪研究所)

1997年9月

東京証券取引所市場第一部に上場、大阪証券取引所市場第一部に指定替え

1997年11月

品質システム審査登録制度ISO9001を取得(栃木工場)

1998年12月

コニシ工営株式会社株式を取得

1999年4月

子会社ボンドケミカル商事株式会社を設立

1999年10月

丸安産業株式会社株式を取得

2001年4月

環境マネジメントシステムISO14001を取得(滋賀工場)

2001年11月

子会社ボンドエンジニアリング株式会社を設立

2002年4月

日本ケミカルデータベース株式会社株式を取得(2016年7月株式譲渡により連結対象から除外)

2002年5月

環境マネジメントシステムISO14001を取得(栃木工場)

子会社丸安産業株式会社が全額出資の子会社台湾丸安股份有限公司を設立

2003年2月

環境マネジメントシステムISO14001を取得(浦和研究所・大阪研究所)

2003年5月

子会社ボンド販売株式会社を設立(2022年11月清算)

2003年7月

上海代表事務所を開設(2006年3月閉鎖)

 

サンライズ・エム・エス・アイ株式会社(2018年1月サンライズ株式会社に社名変更)株式を取得

2004年2月

子会社サンライズ・エム・エス・アイ株式会社(2018年1月サンライズ株式会社に社名変更)と共同出資で科陽精細化工(蘇州)有限公司を設立

2004年7月

子会社科昵西貿易(上海)有限公司を設立

2005年5月

子会社サンライズ・エム・エス・アイ株式会社(2018年1月サンライズ株式会社に社名変更)と共同出資でKony Sunrise Trading Co.,Ltd.を設立

2008年3月

環境マネジメントシステムISO14001を取得(化成品営業本部)

2010年1月

子会社 KF Instruments India Pvt.Ltd.を設立(2018年5月株式一部売却により関連会社に変更)

2010年7月

関連会社 Konishi Lemindo Vietnam Co.,Ltd.を設立(2013年8月持分追加取得により子会社化)

2012年5月

品質システム審査登録制度ISO9001自己適合宣言

(ボンド事業本部・滋賀工場・浦和研究所・大阪研究所・栃木工場)

2012年7月

子会社ボンド物流株式会社を設立

2012年9月

栃木物流センターを開設

2013年7月

子会社ボンドケミカル商事株式会社と共同出資でPT.KONISHI INDONESIAを設立

2013年11月

近畿鉄筋コンクリート株式会社株式を取得

2014年1月

2014年12月

矢沢化学工業株式会社(2016年4月ウォールボンド工業株式会社に社名変更)株式を取得

滋賀物流センターを開設

2015年10月

横浜支店開設

2016年3月

 

子会社ボンド物流株式会社が株式会社スタイル運輸(2017年7月KB LINE株式会社に社名変更)株式を取得

2017年7月

角丸建設株式会社株式を取得

2019年9月

関東支社開設

2020年1月

東京サテライトオフィス開設

2020年2月

子会社角丸建設株式会社が株式会社和泉株式を取得(2023年4月角丸建設株式会社に合併)

2020年7月

山昇建設株式会社株式を取得(2022年6月ボンドエンジニアリング株式会社に合併)

2021年1月

子会社PT.KONISHI LEMINDO INDONESIAを設立

2022年4月

東京証券取引所の市場区分の見直しにより、東京証券取引所の市場第一部からプライム市場に移行

2023年1月

中信建設株式会社株式を取得

 

3【事業の内容】

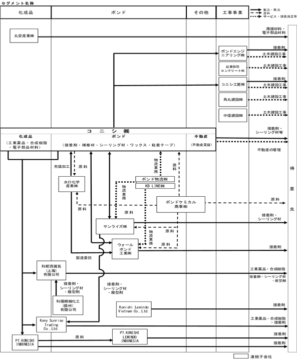
 当社グループは、当社、子会社20社および関連会社1社で構成されており、ボンド事業、化成品事業および工事事業の3つの事業を基本に組織され、それぞれが国内および海外の包括的な戦略を立案し、事業活動を展開しております。

 当社グループの事業内容及び当社と子会社の当該事業に係る位置づけは次のとおりであります。なお、次表の区分は、「第5 経理の状況 1 連結財務諸表等 (1)連結財務諸表 注記事項」に掲げるセグメントの区分と同一であります。

 

区分

主要な事業の内容

国内/海外

主要な会社

ボンド

工業用接着剤、一般家庭用接着剤、建築用接着剤、土木建設用接着剤、シーリング材、ワックスおよび粘着テープの製造販売

国内

当社、水口化学産業㈱、ウォールボンド工業㈱、

サンライズ㈱

海外

科昵西貿易(上海)有限公司、

科陽精細化工(蘇州)有限公司、

Kony Sunrise Trading Co.,Ltd.、

Konishi Lemindo Vietnam Co.,Ltd.

PT.KONISHI LEMINDO INDONESIA

原料の仕入販売

国内

ボンドケミカル商事㈱

製品倉庫の管理業務請負、運送業

国内

ボンド物流㈱、KB LINE㈱

化成品

工業薬品、合成樹脂、樹脂成型品、電子部品材料、薄膜材料、医薬品原料、接着剤・シーリング材の仕入販売

国内

当社、丸安産業㈱

海外

科昵西貿易(上海)有限公司、

PT.KONISHI INDONESIA、

Kony Sunrise Trading Co.,Ltd.、

台湾丸安股份有限公司

工事事業

土木建設工事の請負業

国内

ボンドエンジニアリング㈱、近畿鉄筋コンクリート㈱、角丸建設㈱、中信建設㈱、コニシ工営㈱、㈱和泉 (注)

その他

不動産賃貸業

国内

当社

全社

プラスチックの精密成型部品の製造販売

海外

KF Instruments India Pvt.Ltd.

(注) ㈱和泉は、2023年4月に角丸建設㈱に吸収合併されております。

 

 当社グループの事業に係る各社の位置づけおよび事業の系統図は次のとおりであります。

 

0101010_001.png

 

 2022年5月31日にボンド販売㈱は解散し、2022年11月30日付で清算手続が完了しております。

 2022年6月1日にボンドエンジニアリング㈱を存続会社とし、山昇建設㈱を消滅会社として合併しております。

 

 

 

 

4【関係会社の状況】

(連結子会社)

名称

住所

資本金

(百万円)

主要な事業

の内容

議決権の所有割合(%)

関係内容

役員の

兼任等

その他

水口化学産業㈱

滋賀県甲賀市

50

ボンド

100.0

1人

当社が、一般家庭用接着剤の原液を販売し、充填加工したものを仕入れる他、不動産の賃貸を行っております。

ボンドケミカル商事㈱

大阪市中央区

80

ボンド

100.0

2人

当社が、接着剤、シーリング材およびワックスの原料等を仕入れる他、取引先への仕入債務に対する保証を行っております。

ボンドエンジニアリング㈱

大阪市鶴見区

100

工事事業

100.0

2人

当社から接着剤等を仕入れる他、当社が不動産の賃貸を行っております。

ボンド物流㈱

栃木県下野市

10

ボンド

100.0

1人

当社の物流業務を請負っております。

近畿鉄筋コンクリート㈱

兵庫県尼崎市

15

工事事業

100.0

1人

ウォールボンド工業㈱

群馬県邑楽郡

邑楽町

30

ボンド

100.0

1人

当社から接着剤等を仕入れております。また、当社へ接着剤等を販売しております。

角丸建設㈱

静岡県藤枝市

20

工事事業

100.0

1人

中信建設㈱

長野県千曲市

20

工事事業

100.0

1人

サンライズ㈱

大阪市中央区

315

ボンド

71.1

1人

当社へシーリング材等を販売している他、不動産の賃貸を行っております。

丸安産業㈱

大阪市中央区

100

化成品

61.8

2人

当社が取引先への仕入債務に対する保証を行う他、不動産の賃貸を行っております。

コニシ工営㈱

札幌市西区

30

工事事業

59.0

1人

当社から接着剤等を仕入れております。

㈱和泉 (注)

静岡県藤枝市

15

 工事事業

100.0

(100.0)

KB LINE㈱

栃木県小山市

13

ボンド

80.0

(80.0)

当社の物流業務を請負っている他、当社がリース債務に対する保証を行っております。

科昵西貿易(上海)有限公司

中華人民共和国

上海市

1,600

(千US$)

ボンド

化成品

100.0

2人

当社から接着剤、シーリング材および合成樹脂を仕入れて販売している他、当社が金融機関からの借入債務に対する保証を行っております。

PT.KONISHI INDONESIA

インドネシア

共和国

ジャカルタ市

800

(千US$)

化成品

100.0

(10.0)

1人

当社から接着剤・合成樹脂を仕入れて販売している他、当社が取引先への仕入債務に対する保証を行っております。

科陽精細化工(蘇州)有限公司

中華人民共和国

江蘇省蘇州市

650

ボンド

91.3

(21.3)

2人

当社の技術支援により接着剤等の製造を行う他、当社が金融機関からの借入債務に対する保証を行っております。

Kony Sunrise

Trading Co.,Ltd.

タイ国

バンコク市

20

(百万THB)

ボンド

化成品

91.3

(21.3)

当社から接着剤・合成樹脂を仕入れて販売しております。また、当社が資金の貸付を行っております。

Konishi Lemindo

Vietnam Co.,Ltd.

ベトナム

社会主義共和国

ビンズオン省

2,000

(千US$)

ボンド

75.0

当社の技術支援により接着剤の製造を行う他、当社が資金の貸付を行っております。

PT.KONISHI LEMINDO INDONESIA

インドネシア

共和国

ボゴール市

1,300

(億IDR)

ボンド

70.0

1人

当社の技術支援により接着剤等の製造を行っております。また、当社が取引先への仕入債務に対する保証を行っております。

台湾丸安股份有限公司

中華民国台北市

10

(百万NT$)

化成品

61.8

(61.8)

当社が取引先への仕入債務に対する保証を行っております。

(注) ㈱和泉は、2023年4月に角丸建設㈱に吸収合併されております。

 

(持分法適用関連会社)

名称

住所

資本金

(百万円)

主要な事業

の内容

議決権の所有割合(%)

関係内容

役員の

兼任等

その他

KF Instruments India

Pvt.Ltd.

インド共和国

ハリヤナ州

375

(百万INR)

全社

33.3

当社から原材料の一部を仕入れて精密成型部品の製造販売を行っております。また、資金の貸付を行っております。

(注)1 「議決権の所有割合」は、小数点第2位以下を切り捨てて表示しており、(内書)は間接所有割合であります。

2 主要な事業の内容欄は、「3 事業の内容」に記載された内容に基づき記載しております。

3 ボンドケミカル商事㈱、科陽精細化工(蘇州)有限公司、PT.KONISHI LEMINDO INDONESIAは特定子会社に該当しております。

4 有価証券届出書または有価証券報告書を提出している会社はありません。

5 当社は国内連結子会社各社にCMS(キャッシュ・マネジメント・システム)を導入しております。

6 ボンドエンジニアリング㈱は、売上高(連結会社相互間の内部売上高を除く。)の連結売上高に占める割合が10%を超えております。

  主要な損益情報等 (1) 売上高   12,883百万円

           (2) 経常利益   1,471百万円

           (3) 当期純利益   942百万円

           (4) 純資産額   5,461百万円

           (5) 総資産額   9,369百万円

 

5【従業員の状況】

(1) 連結会社の状況

 

2023年3月31日現在

セグメントの名称

従業員数(人)

ボンド

1,080

245

化成品

115

〔  5

工事事業

303

63

その他

1

〔  -〕

全社(共通)

57

〔  2

合計

1,556

315

(注)1 従業員数は就業人員であり、従業員数の〔外書〕は、嘱託・契約社員・パートタイマーの年間平均雇用人員であります。

 

(2) 提出会社の状況

 

 

 

 

2023年3月31日現在

従業員数(人)

平均年齢(歳)

平均勤続年数(年)

平均年間給与(千円)

718

91

41.82

17.25

7,024

 

セグメントの名称

従業員数(人)

ボンド

593

89

化成品

55

〔  -〕

工事事業

12

〔  -〕

その他

1

〔  -〕

全社(共通)

57

〔  2

合計

718

91

(注)1 従業員数は就業人員であり、従業員数の〔外書〕は、嘱託・契約社員・パートタイマーの年間平均雇用人員であります。

2 平均年間給与は、賞与および基準外賃金を含んでおります。

 

(3) 労働組合の状況

 当社グループでは、当社においてコニシ労働組合(1973年8月15日結成)が組織され、2023年3月31日現在の組合員数は487人であります。子会社では、サンライズ㈱において労働組合(1974年10月31日結成)が組織されており、2023年3月31日現在の組合員数は85人で、全国繊維化学食品流通サービス一般労働組合同盟(UAゼンセン)大阪府支部に属しております。なお、各組合とも労使関係は安定しており、特記すべき事項はありません。

 

 

(4) 管理職に占める女性労働者の割合、男性労働者の育児休業取得率及び労働者の男女の賃金の差異

①提出会社

当事業年度

管理職に占める女性労働者の割合(%)

(注)1

男性労働者の育児休業取得率(%)

(注)2

労働者の男女の賃金の差異(%)(注)1

全労働者

うち正規雇用労働者

うちパート・有期労働者

2.6

43.8

60.6

64.6

71.9

(注)1 「女性の職業生活における活躍の推進に関する法律」(2015年法律第64号)の規定に基づき算出したものであります。

2 「育児休業、介護休業等育児又は家族介護を行う労働者の福祉に関する法律」(1991年法律第76号)の規定に基づき、「育児休業、介護休業等育児又は家族介護を行う労働者の福祉に関する法律施行規則」(1991年労働省令第25号)第71条の4第2号における育児休業等および育児目的休暇の取得割合を算出したものであります。

 

②連結子会社

当事業年度

名 称

管理職に占める女性労働者の割合(%)(注)1

男性労働者の育児休業取得率(%)(注)2

労働者の男女の賃金の差異(%)(注)1

全労働者

うち正規雇用

労働者

うちパート・

有期労働者

ボンドエンジニアリング㈱

1.8

25.0

58.9

59.1

36.0

サンライズ㈱

3.3

75.0

68.9

77.5

71.0

(注)1 「女性の職業生活における活躍の推進に関する法律」(2015年法律第64号)の規定に基づき算出したものであります。

2 「育児休業、介護休業等育児又は家族介護を行う労働者の福祉に関する法律」(1991年法律第76号)の規定に基づき、「育児休業、介護休業等育児又は家族介護を行う労働者の福祉に関する法律施行規則」(1991年労働省令第25号)第71条の4第2号における育児休業等および育児目的休暇の取得割合を算出したものであります。