第一部【企業情報】

第1【企業の概況】

1【主要な経営指標等の推移】

(1) 連結経営指標等

回次

第87期

第88期

第89期

第90期

第91期

決算年月

平成24年3月

平成25年3月

平成26年3月

平成27年3月

平成28年3月

売上高

(百万円)

100,231

104,757

112,869

115,788

118,860

経常利益

(百万円)

4,723

5,364

6,704

5,464

6,387

親会社株主に帰属する当期純利益

(百万円)

2,320

3,084

3,738

3,045

3,763

包括利益

(百万円)

2,330

3,917

4,499

5,392

3,150

純資産額

(百万円)

38,397

41,755

45,587

50,677

50,032

総資産額

(百万円)

72,291

74,522

81,778

86,119

86,988

1株当たり純資産額

(円)

1,856.80

2,015.90

2,182.23

1,211.42

1,288.23

1株当たり当期純利益金額

(円)

117.76

156.55

189.70

77.12

97.92

潜在株式調整後

1株当たり当期純利益金額

(円)

自己資本比率

(%)

50.6

53.3

52.7

55.5

54.4

自己資本利益率

(%)

6.5

8.1

9.0

6.7

7.9

株価収益率

(倍)

9.6

10.8

9.6

13.2

14.3

営業活動による

キャッシュ・フロー

(百万円)

3,719

3,933

5,245

4,057

6,451

投資活動による

キャッシュ・フロー

(百万円)

2,331

3,856

3,381

3,324

1,316

財務活動による

キャッシュ・フロー

(百万円)

680

608

594

878

3,837

現金及び現金同等物

の期末残高

(百万円)

13,892

13,426

14,769

14,650

15,863

従業員数

(人)

1,055

1,080

1,121

1,155

1,257

 

206

221

239

248

278

(注)1 売上高には消費税等は含んでおりません。

2 従業員数欄の〔外書〕は、嘱託・契約社員・パートタイマーの年間平均雇用人員であります。

3 潜在株式調整後1株当たり当期純利益金額については、潜在株式が存在しないため、記載しておりません。

4 平成28年4月1日を効力発生日として、普通株式を1株につき2株の割合をもって分割しております。第90期の期首に当該株式分割が行われたと仮定して1株当たり純資産額、1株当たり当期純利益金額を算定しております。

5 「企業結合に関する会計基準」(企業会計基準第21号 平成25年9月13日)等を適用し、当連結会計年度より、「当期純利益」を「親会社株主に帰属する当期純利益」として表示しております。

 

(2) 提出会社の経営指標等

回次

第87期

第88期

第89期

第90期

第91期

決算年月

平成24年3月

平成25年3月

平成26年3月

平成27年3月

平成28年3月

売上高

(百万円)

76,709

79,150

84,348

82,221

83,693

経常利益

(百万円)

3,590

3,621

4,333

3,033

3,867

当期純利益

(百万円)

1,930

2,263

2,720

1,862

2,524

資本金

(百万円)

4,603

4,603

4,603

4,603

4,603

発行済株式総数

(千株)

20,353

20,353

20,353

20,353

20,353

純資産額

(百万円)

35,009

37,178

39,586

41,982

40,673

総資産額

(百万円)

61,776

61,966

66,032

68,068

66,981

1株当たり純資産額

(円)

1,777.07

1,887.21

2,005.14

1,063.27

1,106.67

1株当たり配当額

(円)

24.00

28.00

30.00

30.00

40.00

(内、1株当たり

中間配当額)

(12.00)

(14.00)

(14.00)

(15.00)

(20.00)

1株当たり当期純利益金額

(円)

97.97

114.87

138.04

47.16

65.67

潜在株式調整後

1株当たり当期純利益金額

(円)

自己資本比率

(%)

56.7

60.0

59.9

61.7

60.7

自己資本利益率

(%)

5.6

6.3

7.1

4.6

6.1

株価収益率

(倍)

11.6

14.7

13.2

21.5

21.4

配当性向

(%)

24.5

24.4

21.7

31.8

30.5

従業員数

(人)

679

697

688

688

704

 

92

83

89

97

106

(注)1 売上高には消費税等は含んでおりません。

2 従業員数欄の〔外書〕は、嘱託・契約社員・パートタイマーの年間平均雇用人員であります。

3 潜在株式調整後1株当たり当期純利益金額については、潜在株式が存在しないため、記載しておりません。

4 第88期の1株当たり配当額28円は、中間配当に当社のボンド発売60周年記念配当2円を含んでおります。また、第91期の1株当たり配当額40円は、中間配当に当社の株式会社設立90周年記念配当5円を含んでおります。

5 平成28年4月1日を効力発生日として、普通株式を1株につき2株の割合をもって分割しております。第90期の期首に当該株式分割が行われたと仮定して1株当たり純資産額、1株当たり当期純利益金額を算定しております。

 

2【沿革】

大正14年9月

株式会社小西儀助商店設立(大正3年設立合資会社を改組)

昭和15年12月

東京支店開設(平成17年4月東京本社に昇格)

昭和27年2月

東京工場開設・合成接着剤ボンドの生産を開始(平成7年4月東京メルト製造部に改称し、浦和工場に統合、平成13年3月東京メルト製造部を閉鎖)

昭和31年2月

東京本所医薬品工場開設・日本薬局方アルコール製造開始

昭和32年1月

名古屋出張所開設(昭和38年2月名古屋支店に昇格)

昭和32年9月

大阪工場開設

昭和35年5月

札幌出張所開設(昭和60年1月札幌営業所に呼称変更、平成2年4月札幌支店に昇格)

昭和37年4月

福岡連絡所開設(昭和41年1月福岡出張所、昭和56年4月福岡支店に昇格)

昭和39年4月

浦和工場開設

昭和43年4月

鳥栖工場開設(平成14年6月閉鎖)

昭和48年8月

滋賀工場開設

昭和48年9月

ミクニペイント株式会社株式を取得(平成26年1月株式譲渡により連結対象から除外)

昭和51年1月

社名を「コニシ株式会社」に改称

昭和56年4月

大阪工場閉鎖・同所に大阪研究所開設、浦和研究所開設

昭和61年5月

栃木工場開設

昭和63年9月

子会社水口化学産業株式会社を設立

平成2年7月

ボンドワックス株式会社と合併し、茨城工場(平成17年3月茨城ワックス製造所に改組、平成19年3月閉鎖)およびワックス研究所(平成8年5月閉鎖し、浦和研究所に統合)を承継

平成2年10月

事業部制を導入

平成4年10月

滋賀第二工場開設

平成6年8月

本社事務所を移転

平成6年9月

大阪証券取引所市場第二部に上場

平成8年7月

子会社ボンド興産株式会社を設立(平成19年5月子会社ボンドケミカル商事株式会社に吸収合併)

平成8年10月

小西儀株式会社と合併

平成9年5月

品質システム審査登録制度ISO9001を取得(ボンド事業本部・滋賀工場・浦和研究所・大阪研究所)

平成9年9月

東京証券取引所市場第一部に上場、大阪証券取引所市場第一部に指定替え

平成9年11月

品質システム審査登録制度ISO9001を取得(栃木工場・浦和工場)

平成10年12月

コニシ工営株式会社株式を取得

平成11年4月

子会社ボンドケミカル商事株式会社を設立

平成11年10月

丸安産業株式会社株式を取得

平成13年4月

環境マネジメントシステムISO14001を取得(滋賀工場)

平成13年11月

子会社ボンドエンジニアリング株式会社を設立

平成14年4月

日本ケミカルデータベース株式会社株式を取得

平成14年5月

環境マネジメントシステムISO14001を取得(栃木工場・浦和工場)

子会社丸安産業株式会社が全額出資の子会社台湾丸安股份有限公司を設立

平成15年2月

環境マネジメントシステムISO14001を取得(浦和研究所・大阪研究所)

平成15年5月

子会社ボンド販売株式会社を設立

平成15年7月

上海代表事務所を開設(平成18年3月閉鎖)

 

サンライズ・エム・エス・アイ株式会社株式を取得

平成16年2月

子会社サンライズ・エム・エス・アイ株式会社と共同出資で科陽精細化工(蘇州)有限公司を設立

平成16年7月

子会社科昵西貿易(上海)有限公司を設立

平成17年5月

子会社サンライズ・エム・エス・アイ株式会社と共同出資でKony Sunrise Trading Co.,Ltd.を設立

平成20年3月

環境マネジメントシステムISO14001を取得(化成品営業本部)

平成22年1月

子会社 KF Instruments India Pvt.Ltd.を設立

平成22年10月

関連会社 Konishi Lemindo Vietnam Co.,Ltd.を設立(平成25年8月持分追加取得により子会社化)

平成24年5月

品質システム審査登録制度ISO9001自己適合宣言

(ボンド事業本部・滋賀工場・浦和研究所・大阪研究所・栃木工場・浦和工場)

平成24年7月

子会社ボンド物流株式会社を設立

平成24年9月

栃木物流センターを開設

平成25年7月

子会社ボンドケミカル商事株式会社と共同出資でPT.KONISHI INDONESIAを設立

平成25年11月

近畿鉄筋コンクリート株式会社株式を取得

平成26年1月

平成26年12月

矢沢化学工業株式会社(平成28年4月ウォールボンド工業株式会社に社名変更)株式を取得

滋賀物流センターを開設

平成27年10月

横浜支店開設

平成28年3月

子会社ボンド物流株式会社が株式会社スタイル運輸株式を取得

 

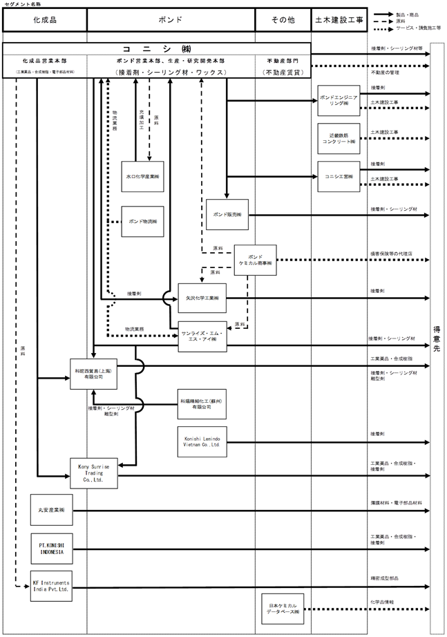
3【事業の内容】

 当社グループは、当社および当社の子会社19社で構成されており、接着剤・シーリング材を中心に製造販売するボンド事業、化学品の専門商社である化成品事業、補修・改修・補強工事等を請負う土木建設工事事業およびその他の事業を営んでおり、相互に協力して事業活動を展開しております。

 各事業の区分とセグメントの区分は同一であり、各セグメントの区分における当社および当社の子会社の位置付けは次のとおりであります。

 なお、当連結会計年度より従来「その他」に含まれていた「土木建設工事」について、重要性が増したため報告セグメントとして記載する方法に変更しております。併せて、従来「ボンド事業部門」「化成品事業部門」としていたセグメント名称をそれぞれ「ボンド」「化成品」に変更しております。

区分

主要な事業の内容

国内/海外

主要な会社

ボンド

接着剤、シーリング材、プラスチック用離型剤、床用ワックス、工業用両面テープの製造販売

国内

当社、水口化学産業㈱、ボンド販売㈱、

矢沢化学工業㈱、サンライズ・エム・エス・アイ㈱

海外

科昵西貿易(上海)有限公司、

科陽精細化工(蘇州)有限公司、

Kony Sunrise Trading Co.,Ltd.、

Konishi Lemindo Vietnam Co.,Ltd.

ボンド事業における原料の仕入販売

国内

ボンドケミカル商事㈱

製品倉庫の管理業務請負、運送業

国内

ボンド物流㈱、㈱スタイル運輸

化成品

工業薬品、合成樹脂、樹脂成型品、電子部品材料、薄膜材料、医薬品原料、接着剤・シーリング材の仕入販売およびエタノールの製造販売

国内

当社、丸安産業㈱

海外

科昵西貿易(上海)有限公司、

PT.KONISHI INDONESIA、

Kony Sunrise Trading Co.,Ltd.、

台湾丸安股份有限公司

プラスチックの精密成型部品の製造販売

海外

KF Instruments India Pvt.Ltd.

土木建設

工事

土木建設工事の請負業

国内

ボンドエンジニアリング㈱、コニシ工営㈱、

近畿鉄筋コンクリート㈱

その他

化学品データベースシステムの販売

国内

日本ケミカルデータベース㈱

損害保険の代理店業務

国内

ボンドケミカル商事㈱

不動産賃貸業

国内

当社

 

 当社グループの事業に係る各社の位置づけおよび事業の系統図は次のとおりであります。

 

0101010_001.png

(注)矢沢化学工業㈱は平成28年4月1日付で、ウォールボンド工業㈱に社名変更しております。

4【関係会社の状況】

(連結子会社)

名称

住所

資本金

(百万円)

主要な事業

の内容

議決権の所有割合(%)

関係内容

役員の

兼任等

その他

水口化学産業㈱

滋賀県甲賀市

50

ボンド

100.0

1人

当社が、一般家庭用接着剤の原液を販売し、充填加工したものを仕入れる他、不動産の賃貸をしております。

ボンドケミカル商事㈱

大阪市中央区

80

ボンド

100.0

4人

当社が、接着剤、シーリング材およびワックスの原料等を仕入れる他、取引先への仕入債務に対する保証を行っております。

ボンドエンジニアリング㈱

大阪市鶴見区

100

土木建設工事

100.0

2人

当社から接着剤等を仕入れる他、当社が、不動産の賃貸および資金の貸付を行っております。

ボンド販売㈱

大阪市中央区

50

ボンド

100.0

当社から接着剤・シーリング材を仕入れて販売しております。

日本ケミカルデータベース㈱

東京都千代田区

203

その他

100.0

1人

当社が、資金の貸付を行っております。

ボンド物流㈱

栃木県下野市

10

ボンド

100.0

1人

当社の物流業務を請負っております。

また、当社が、資金の貸付を行っております。

矢沢化学工業㈱

群馬県邑楽郡

30

ボンド

100.0

1人

当社から接着剤等を仕入れております。また、当社へ接着剤等を販売しております。

近畿鉄筋コンクリート㈱

兵庫県尼崎市

15

土木建設工事

100.0

1人

―――

サンライズ・

エム・エス・アイ㈱

大阪市中央区

315

ボンド

71.1

2人

当社のシーリング材の一部を生産しております。

丸安産業㈱

大阪市中央区

100

化成品

61.8

2人

当社は、取引先への仕入債務に対する保証を行う他、当社が、資金の貸付を行っております。

コニシ工営㈱

札幌市北区

30

土木建設工事

59.0

1人

当社から接着剤等を仕入れております。

㈱スタイル運輸

東京都江東区

13

ボンド

100.0

(100.0)

―――

科昵西貿易(上海)有限公司

中華人民共和国

上海市

1,600

(千US$)

ボンド・化成品

100.0

2人

当社から接着剤、シーリング材および合成樹脂を仕入れて販売している他、当社は、金融機関からの借入債務に対する保証を行っております。

PT.KONISHI INDONESIA

インドネシア

共和国

ジャカルタ市

800

(千US$)

化成品

100.0

(10.0)

1人

当社から接着剤・合成樹脂を仕入れて販売しております。

科陽精細化工(蘇州)有限公司

中華人民共和国

江蘇省蘇州市

650

ボンド

91.3

(21.3)

3人

当社の技術支援により接着剤等の製造を行う他、当社が、金融機関からの借入債務に対する保証を行っております。

Kony Sunrise

Trading Co.,Ltd.

タイ国

バンコク市

20

(百万THB)

ボンド・化成品

91.3

(21.3)

1人

当社から接着剤・合成樹脂を仕入れて販売しております。また、当社が金融機関からの借入債務に対する保証を行う他、資金の貸付を行っております。

Konishi Lemindo

Vietnam Co.,Ltd.

ベトナム

社会主義共和国

ビンズオン省

2,000

(千US$)

ボンド

75.0

2人

当社の技術支援により接着剤の製造を行う他、当社が、資金の貸付を行っております。

KF Instruments India

Pvt.Ltd.

インド共和国

ハリヤナ州

375

(百万INR)

化成品

66.6

2人

当社から原材料の一部を仕入れて精密成型部品の製造販売を行っております。

また、当社が、資金の貸付を行っております。

台湾丸安股份有限公司

中華民国台北市

10

(百万NT$)

化成品

61.8

(61.8)

―――

(注)1 「議決権の所有割合」は、小数点第2位以下を切り捨てて表示しており、(内書)は間接所有割合であります。

2 主要な事業の内容欄には、セグメントの名称を記載しております。

3 ボンドケミカル商事㈱、科陽精細化工(蘇州)有限公司およびKF Instruments India Pvt.Ltd.は、特定子会社に該当しております。

4 有価証券届出書または有価証券報告書を提出している会社はありません。

5 矢沢化学工業㈱は平成28年4月1日付で、ウォールボンド工業㈱に社名変更しております。

 

5【従業員の状況】

(1) 連結会社の状況

平成28年3月31日現在

 

セグメントの名称

従業員数(人)

ボンド

836〔200〕

化成品

188〔 28〕

土木建設工事

141〔 30〕

その他

28〔 18〕

全社(共通)

64〔 2〕

合計

1,257〔278〕

(注) 従業員数は就業人員であり、従業員数の〔外書〕は、嘱託・契約社員・パートタイマーの年間平均雇用人員であります。

 

(2) 提出会社の状況

平成28年3月31日現在

 

従業員数(人)

平均年齢(歳)

平均勤続年数(年)

平均年間給与(千円)

704〔106〕

39.00

14.76

6,366

 

セグメントの名称

従業員数(人)

ボンド

567〔 99〕

化成品

65〔 5〕

土木建設工事

6〔 -〕

その他

2〔 -〕

全社(共通)

64〔 2〕

合計

704〔106〕

(注)1 従業員数は就業人員であり、従業員数の〔外書〕は、嘱託・契約社員・パートタイマーの年間平均雇用人員であります。

2 平均年間給与は、賞与および基準外賃金を含んでおります。

 

(3) 労働組合の状況

 当社グループでは、当社においてコニシ労働組合(昭和48年8月15日結成)が組織され、平成28年3月31日現在の組合員数は493人であります。子会社では、サンライズ・エム・エス・アイ㈱において労働組合(昭和49年10月31日結成)が組織されており、平成28年3月31日現在の組合員数は81人で、全国繊維化学食品流通サービス一般労働組合同盟(UIゼンセン同盟)大阪府支部に属しております。

 なお、各組合とも労使関係は安定しており、特記すべき事項はありません。